28

Aug . 2025

基於英飛凌PSOC Control C3的高速吹風機變頻控制方案

分享至

1. 高速吹風機變頻方案介紹

高速吹風機,特別是轉速突破10萬轉的產品,成為消費性電子和個護領域的新標竿。相較於傳統吹風,高速吹風機的風量更大,能減少對頭髮的傷害,噪音更低,使用體驗也更好。針對高速吹風機市場,英飛凌推出16萬轉以上無感覺FOC的高速吹風機解決方案。方案採用PSOC™ Control C3,搭配英飛凌的CoolGaN™ Half-Bridge IPS,能夠實高達100KHz的載頻控制,支援快速啟停,400毫秒內可達最大轉速。


方案特性如下:

  • PWM載波頻率和控制頻率高達100Khz
  • 無感測器FOC演算法執行時間<8us
  • 支援動態PWM載頻變換功能(5Khz至100Khz)
  • 相容於7/5段SVPWM,減少PWM開關損耗
  • 支援半週期PWM更新模式,提高位置估算精度與電流環對應時間
  • 電機參數線上識別,控制參數自適應
  • 極強的系統方案穩健性,馬達參數±80% 誤差仍能維持正常運作
  • 支援速度控制、恆定功率控制以恆定轉矩控制
  • 支持順風啟動,無抖動靜止閉環啟動,可靠性100%
  • 偽差分 ADC 取樣,無需外部運算和比較器,PCB走線更簡潔,雜訊抑制能力更強
  • 相容於Single/leg/3 電阻電流採樣模式
  • 支援完整的馬達控制保護和 IEC60730 安全功能
  • 電機控制解決方案已通過量產驗證

2. PSOC Control C3 產品介紹

高性能可程式模擬子系統

單電阻偽差分ADC取樣結構圖

PSOC Control C3是英飛凌專為馬達控制和數位電源而設計的MCU,整合了專門針對馬達應用最佳化的周邊,支援馬達常見的各種控制方式,它具有適合無感FOC控制的相關週邊和亮點:


1. 高性能可程式模擬子系統


  • 12 位元12Msps SAR ADC,支援 16 個類比通道進行平行空閒取樣
  • 每個通道都配備獨立採樣保持器
  • 每個通道可獨立配置增益(1、3、6、12)
  • 所有通道都支援同步取樣模式
  • 16 個類比通道可分配給 8 個獨立的群組,每組支援8路觸發源
  • 支援偽差分採樣模式
  • 每個通道整合限幅檢測功能(助力過流/過壓保護,減少CPU幹預)
  • 支援 ADC DMA 和 FIFO 模式,減少 CPU 幹預
  • ADC 類比輸出可直接接入CSG 比較器進行保護
  • 10 位元 DAC 為比較器的輸入提供參考電壓
  • 提供多路觸發來源輸出(用於關鍵週邊同步觸發)

TCPWM用於單電阻採樣

2. 靈活的TCPWM


面向不同PWM應用的靈活計數模式以及靈活的輸入輸出觸發訊號。


  • 3 個TCPWM 計數器用於產生 3 對互補 PWM 訊號。 1個 TCPWM 計數器用作 ADC 觸發訊號。馬達運轉時,所有 4 個 TCPWM 計數器同步。
  • 溢位事件觸發 FOC 中斷,並在前半個 PWM 週期內執行。
  • 所有 GPIO 均可用作 PWM 輸出引腳,從而使 PCB 佈局更加簡單
  • 從 AD 採樣到下一次 PWM 比較更新的時間間隔僅約半個 PWM 週期,從而顯著提升電流環 頻寬和觀測器性能

3. 基於PSOC Control C3控制器的高速吹風機變頻方案介紹

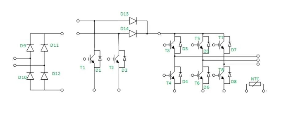
基於PSOC Control C3 MCU控制卡和高壓GaN驅動板的Demo

1. Demo硬體


以PSOC Control C3 為基礎的高速吹風機Demo可以使用KIT_PSC3M5_CC2的MCU控制卡搭配高壓GaN驅動板的靈活方案。


高速吹風機系統框圖

2. 系統框圖

  • ADC 支援偽差分輸入取樣模式
  • ADC 通道支援同步取樣模式
  • 內部 CSG 比較器的正相輸入訊號來自 ADC 接腳,反相參考訊號來自 DAC
  • 反電勢相電壓僅用於高反電勢電壓電機

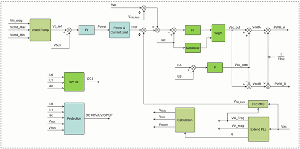
無感FOC控制框圖

3 .無感FOC控制


支援3 種控制模式:轉矩、功率和速度控制,具有順風、逆風和靜態直接閉環啟動、死區補償等功能。

無感測器FOC演算法執行時間

4. FOC執行時間


得益以下特性,PSOC Control C3高速吹風機的無感測器FOC演算法執行時間<8us:


  • 主頻180MHz
  • 單精度浮點運算單元(FPU)和DSP
  • 16KB的I-Cache
  • 基於 Arm® v8-M 架構的 Arm® 3 級管線 (3PIP)
  • 通過 I-Cache 的 AHB (C-AHB) 總線,無任何時間延遲


50K rpm ---> 120Krpm ---> 50Krpm

5. 高速吹風機控制性能展示


吹風機加減速測試波形

12萬轉穩定運轉時的相電流波形

吹風機穩定運轉測試波形

直接閉環啟動的波形

吹風機啟動波形

可以看出直接閉環啟動非常的平穩,沒有抖動,335ms到滿速。

4. 結語

16萬轉的高速吹風機的整體解決方案,採用基於32位元ARM Cortex-M33內核,180MHz主頻的PSOC Control C3,搭配英飛凌的CoolGaN™ Half-Bridge IPS,可實現100KHz開關頻率單電阻FOC控制,支援快速加減速特性,具有低功率、穩定性、穩定、低功率等特性。對方案有興趣的朋友可以聯絡我們以取得完整方案的硬體和軟體資料。


點擊這裡,了解更多。


文章來源:英飛凌官微

半導體元件詢問單
Inquiry Form
如您對本公司產品有任何的問題(產品報價、技術諮詢、產品文件、樣品索取、合作代理…等),都可以透過諮詢表單跟我們聯絡,我們將有專人回覆。
隱私權暨個人資料保護聲明

STEP

01
!

有標示 欄位為必填,請確實填寫謝謝。

諮詢需求
市場應用

↑若無法選擇適當的產業類別,請直接在此欄輸入您的所屬產業

↑請直接在此欄輸入您的所屬市場應用

諮詢商品

↑若無法搜尋到您要諮詢的品牌,請直接在此欄輸入品牌名稱

↑若無法搜尋到您要諮詢的料號,請直接在此欄輸入料號

備註內容

下一步,聯繫資料填寫

STEP

02
!

有標示 欄位為必填,請確實填寫謝謝。

公司名稱
所屬部門
聯絡人
職稱
聯絡電話
電子信箱
聯絡地址
交貨地址
是否為貿易商
驗證碼
訂閱電子報
Subscribe to Newsletter
!

有標示 * 欄位為必填,請確實填寫謝謝。

公司名稱
所屬部門
姓名
職稱
聯絡電話
選擇電子報語系
電子信箱
驗證碼