 
                    本文作者
佟浩
英飛凌消費、計算與通訊業務大中華區 資深主任工程師
前言
前文1,2介紹了「開關型」天線調諧元件(Antenna Tuner)的關鍵參數與應用中的選用策略。 SP4T, 2×SPST, 4×SPST等開關型拓樸結構的天線調諧元件,相對而言,具有諸如損耗較小、成本較低、應用在天線高壓調諧區域時線性度較好等優點。但同時,現有的開關型天線調諧器在實際應用中也存在一定的短板或局限性,其中,由於拓撲結構簡單導致天線端口匹配調諧能力差,即是開關型天線調諧器的短板之一。
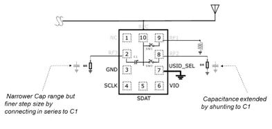
為了改善這類裝置的局限性,同時幫助客戶能夠更好地應對更為複雜的天線端口的匹配與調諧需求,英飛凌在開關式天線調諧器之外,繼續開發了可調電容式天線調諧器(Capacitor-Tuner, 或C-Tuner)。本文將對此產品形態與應用做一個初步介紹。
 
                     
                     
                     
                     
                     
                     
                     
                     
                     
                     
                     
                    